Logo des 8Bit-Wiki

HARDWARE

Hier wurden noch keine beschreibenden Informationen hinterlegt.


Es gibt folgende Dokumente:

Bauteilseite.jpg

Bauteilseite, Platine des Peritel RGB Interfaces

peritel-Summary.pdf

Technische Kurzbeschreibung in englisch

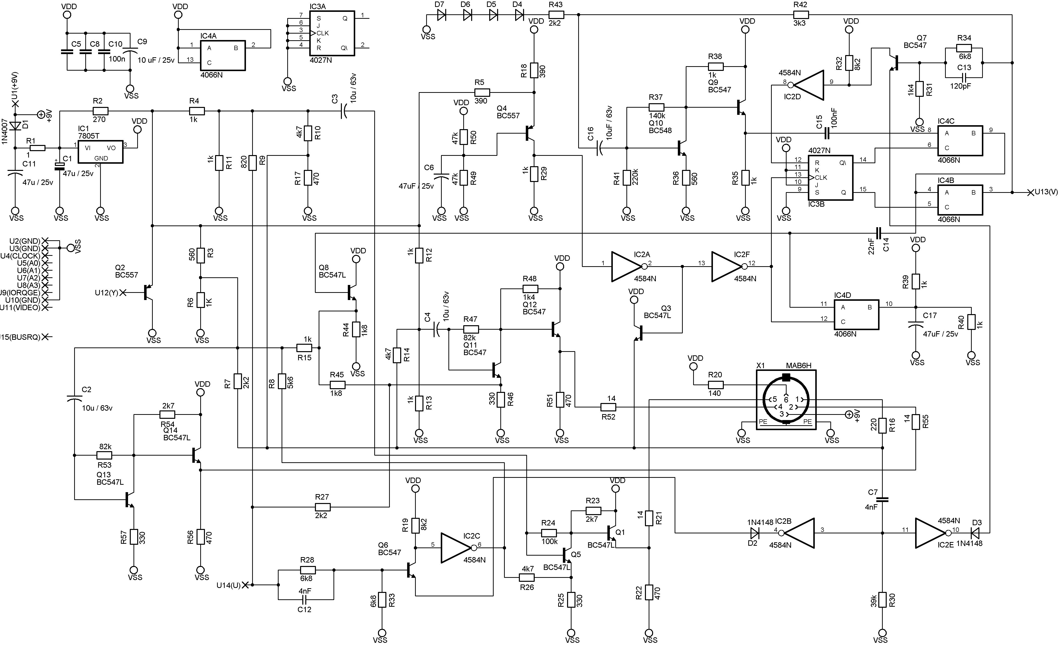
schaltbild farbe.jpg

Schaltbild des Peritel RGB Interfaces

schaltbild sw.jpg

Schaltbild des Peritel RGB Interfaces in schwarzweiss, besser lesbar

Unterseite.jpg

Unterseite, Platine des Peritel RGB Interfaces


Impressum und Datenschutzinformation


zurück ...