Logo des 8Bit-Wiki

_diagram

Hier wurden noch keine beschreibenden Informationen hinterlegt.


Es gibt folgende Dokumente:

if1 sch.gif

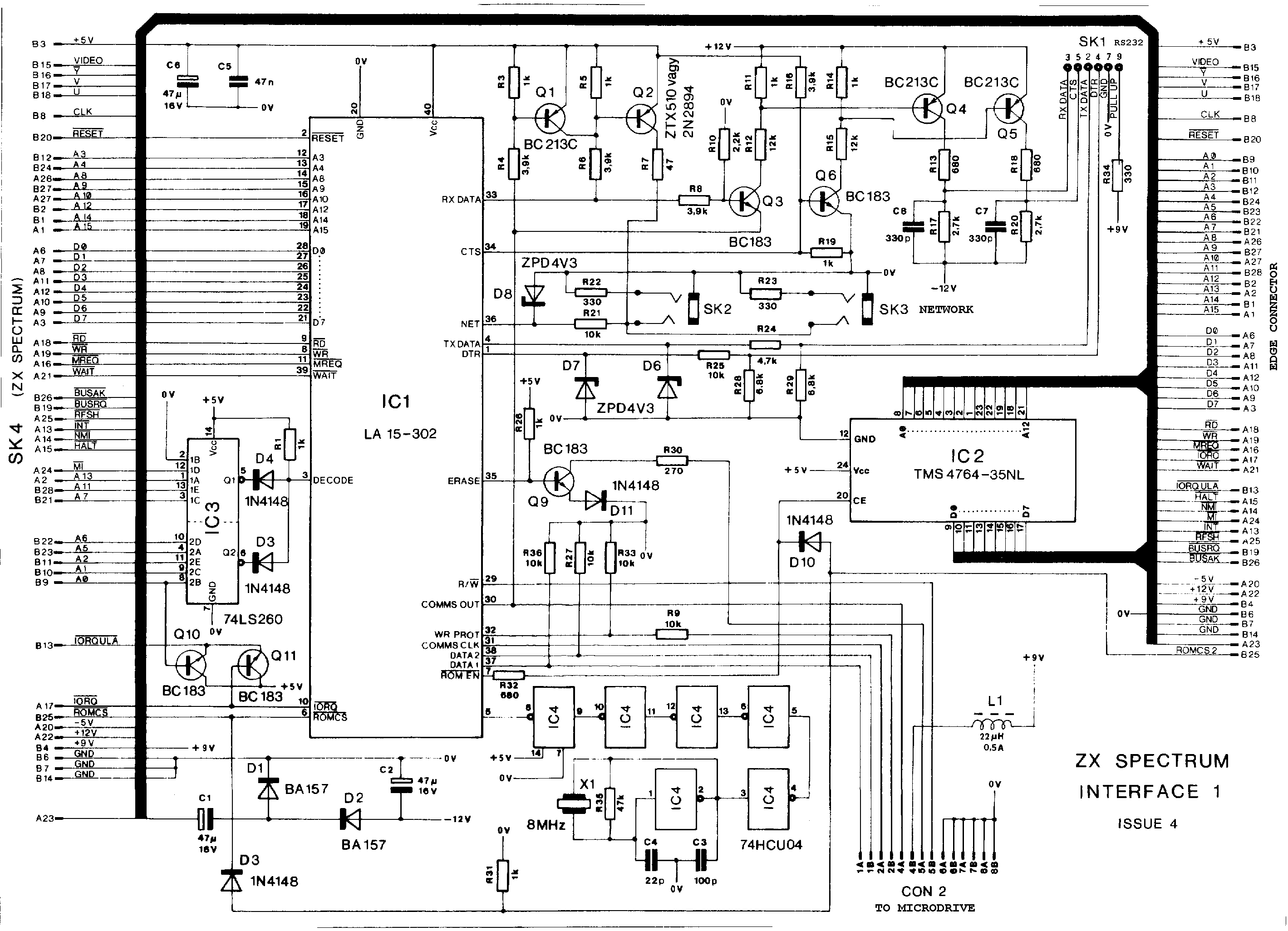
Schaltplan des IF1 Issue 4


Impressum und Datenschutzinformation


zurück ...